Gå direkte til indhold
  • IT-komponenter

Fjeder kontakt

En kontakt til at tænde og slukke.

Lab
ITT Lab
Programområde
Digital
Placering

EK Guldbergsgade
Bygning E, lokale A448

Adgang til komponenten

Komponenten er kun tilgængelig for studerende på IT-teknolog-uddannelsen.

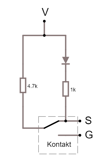
Fungerer som en switch som man normalt også ser på keyboard taster, samt højre og venstre klik på computer mus.

Når fjederkontakten bliver presset ned bliver der også oplyst en LED på printpladen. 

Husk at fjederkontakten har en formodstand på 4.7k Ohm, derfor er det vigtigt at huske, hvis der sættes 12V til kontakten vil den ikke sænkes til 5V men stadig have en udgangsspænding på over 5V hvilket kan skade komponentet man har tilkoblet til kontakten.

Tekniske specifikationer

Interface type Digital
Forsyningsspænding 3-12V
Strømforbrug 5mA


Vær opmærksom på, at input spændingen også vil være den, der kan aflæses på signal benet. Det anbefales ikke at bruge en højere spænding end den tilsluttedes mikrocontrollers indgang spænding. 

Pinout

Navn Funktion
-(GND) Negativ forsyning
+(VCC) Positiv forsyning
S(Signal) Output signal, Digital, High-Low

Hvordan fungerer den?